2、電感精度:±20%
3、電阻精度:±10%
4、溫升:<80℃Max (額定電流,二相通電)
5、工作環境溫度:-20 ˜ +50℃(無結冰)
6、絕緣電阻:100MΩ
min. 500VDC
7、可非標定製
18825289603
命名規則
|
23E45-30-9.525-1.27-100-B □□ |
|
|
命名段 |
含義 |
|
23 |
麻豆视频APP免费版外徑57mm |
|
E |
外部驅動式 |
|
45 |
機身長度45mm |
|
30 |
額定電流3.0A |
|
9.525 |
絲杆直徑9.5255mm |
|
1.27 |
導程1.27mm |
|
100 |
絲杆長度 100mm |
|
B |
A:消隙螺母; B:刹車; C:編碼器 |
|
□□ |
非標標識 |
技術參數(手機瀏覽時,可左右滑動表格)
|
麻豆视频APP免费版 規格 |
機身長(mm) |
相電流 (A) |
相電阻 (Ω) |
相電感 (mH) |
轉動慣量 (g.c㎡) |
重量 Kg |
適配麻豆传媒在线网站观看播放 (推薦型號) |
|
23 |
45 |
3.0 |
0.71 |
1.9 |
150 |
0.58 |
SD-545R |
|
23 |
55 |
3.0 |
0.86 |
2.6 |
300 |
0.71 |
SD-545R |
|
23 |
65 |
4.0 |
0.76 |
3.2 |
400 |
0.88 |
SD-545R |
|
23 |
75 |
4.0 |
0.90 |
4.5 |
480 |
0.95 |
SD-545R |
★ 推薦麻豆传媒在线网站观看播放是脈衝型,麻豆色情少妇传媒科技還可以為客戶提供以下驅動:
★總線型步進麻豆传媒在线网站观看播放、★IO控製、★電位器調速。
|
直線絲杆(mm) |
導程(mm) |
步長(mm) |
斷電自鎖力(N) |
|
9.525 |
1.27 |
0.00635 |
800 |
|
2.54 |
0.0127 |
300 |
|
|
5.08 |
0.0254 |
90 |
|
|
10.16 |
0.0508 |
30 |
|
|
25.4 |
0.127 |
6 |
動態力矩曲線



★測試條件:恒流驅動,無加速度,2細分,驅動電壓40V。
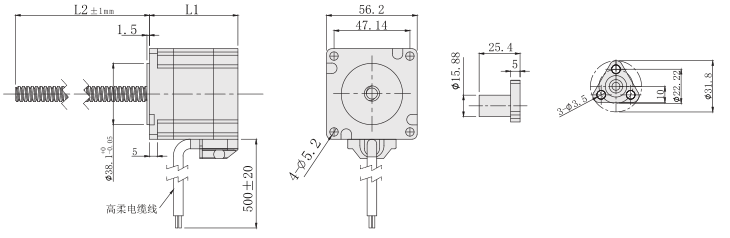
外形尺寸圖(單位:mm)
★本係列麻豆视频APP免费版可以根據客戶要求定製絲杆長度(L2) 、絲杆端部。