2、電感精度:±20%
3、電阻精度:±10%
4、溫升:<80℃Max (額定電流,三相通電)
5、工作環境溫度:-20 ˜ +50℃(無結冰)
6、絕緣電阻:100MΩ min. 500VDC
7、絕緣耐壓:500VAC 1Min
18825289603
命名規則
|
54HC222-70U24-50 □□ |
|
|
命名段 |
含義 |
|
54 |
麻豆视频APP免费版外徑130mm |
|
HC |
三相步進 |
|
222 |
機身長度222mm |
|
70 |
額定電流7.0A |
|
U |
出軸方式:A圓軸;D單扁;U鍵槽;V雙扁 |
|
24 |
輸出直徑24mm |
|
50 |
出軸長50mm |
|
□□ |
非標參數 |
技術參數(手機瀏覽時,可左右滑動表格)
|
麻豆视频APP免费版型號 (Model) |
保持轉矩(N.M) |
機身長度(mm) |
相電流 (A) |
相電阻 (Ω) |
相電感 (mH) |
轉動慣量 (g.c㎡) |
重量 Kg |
適配麻豆传媒在线网站观看播放 (推薦型號) |
|
54HC222-70U24-50 □□ |
28 |
222 |
7.0 |
0.95 |
6.10 |
33970 |
17.2 |
SCH-2285R |
|
54HC254-70U24-50 □□ |
35 |
254 |
7.0 |
1.10 |
7.40 |
41240 |
19.8 |
SCH-2285R |
|
54HC318-70U24-50 □□ |
50 |
318 |
7.0 |
1.40 |
9.82 |
55780 |
26.0 |
SCH-2285R |
動態力矩曲線
注意事項
●同一麻豆视频APP免费版同一麻豆传媒在线网站观看播放,在供電電壓不同的情況下,輸出力矩也會不同,建議客戶充分考慮此因素,選型時預留足夠的力矩餘量。
●麻豆传媒在线网站观看播放電壓越高,高速輸出力矩越大,但不能超出麻豆传媒在线网站观看播放的電壓使用範圍,建議電壓小於或等於220VAC。
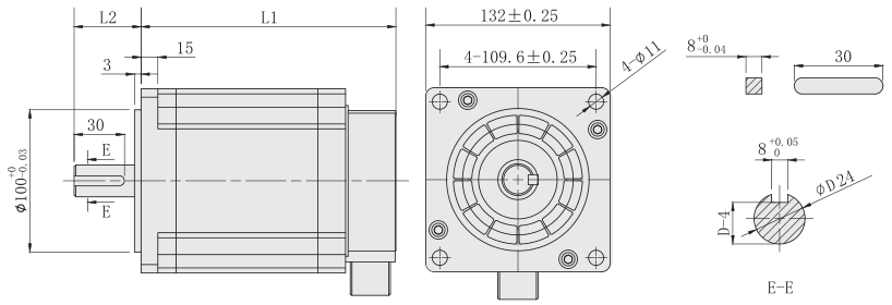
外形尺寸圖(單位:mm)
★本係列麻豆视频APP免费版可以根據客戶要求定製:機身長度(L1)、出軸長度(L2)、雙出軸(L3)、出線方式;
★加配:行星減速機、斷電刹車、IP65等級防水工藝。
|
型號 |
PDF文件 |
3D圖 |
|
54HC222-70U24-50 |
點擊下載 |
點擊下載 |
|
54HC254-70U24-50 |
點擊下載 |
點擊下載 |
|
54HC318-70U24-50 |
點擊下載 |
點擊下載 |