產品特點
2、電感精度:±20%
3、電阻精度:±10%
4、溫升:<80℃Max (額定電流,二相通電)
5、工作環境溫度:-20 ˜ +50℃(無結冰)
6、絕緣電阻:100MΩ
min. 500VDC
7、可非標定製
命名規則
|
23E45-30BS1202-100-B □□ |
|
|
命名段 |
含義 |
|
23 |
麻豆视频APP免费版外徑57mm |
|
E |
E 外部驅動式 N 貫通軸式 C貫通-固定軸式 |
|
45 |
機身長度45mm |
|
30 |
額定電流3.0A |
|
BS1202 |
BS1202代表 絲杆直徑12mm,導程2mm |
|
100 |
絲杆長度 100mm |
|
B |
A:消隙螺母; B:刹車; C:編碼器 |
|
□□ |
非標參數 |
技術參數(手機瀏覽時,可左右滑動表格)
|
麻豆视频APP免费版規格 ( Model) |
機身長度 (mm) |
相電流 (A) |
相 電 阻 (Ω) |
相電感 (mH) |
轉動慣量 (g.c㎡) |
重量 Kg |
適配麻豆传媒在线网站观看播放 (推薦型號) |
|
23 |
45 |
3.0 |
0.71 |
1.9 |
150 |
0.58 |
SD-545R |
|
23 |
55 |
3.0 |
0.86 |
2.6 |
300 |
0.71 |
SD-545R |
|
23 |
65 |
4.0 |
0.76 |
3.2 |
400 |
0.88 |
SD-545R |
|
23 |
75 |
4.0 |
0.90 |
4.5 |
480 |
0.95 |
SD-545R |
★ 以上產品為代表性產品,派生產品可根據客戶要求製作。
動態力矩曲線


★測試條件:恒流驅動,無加速度,2細分,驅動電壓40V。
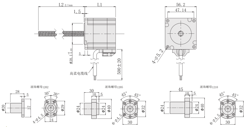
外形尺寸圖(單位:mm)
★本係列麻豆视频APP免费版可以根據客戶要求定製絲杆長度(L2) 、絲杆端部;
★加配斷電刹車、編碼器。