2、電感精度:±20%
3、電阻精度:±10%
4、溫升:<80℃Max (額定電流,二相通電)
5、工作環境溫度:-20 ˜ +50℃(無結冰)
6、絕緣電阻:100MΩ
min. 500VDC
7、可非標定製
18825289603
命名規則
|
11E34-10-BS0801-100-B □□ |
|
|
命名段 |
含義 |
|
11 |
麻豆视频APP免费版外徑28mm |
|
E |
E 外部驅動式 N 貫通軸式 C貫通-固定軸式 |
|
34 |
機身長度34mm |
|
10 |
額定電流1.0A |
|
BS0801 |
BS0801:08 絲杆直徑8mm;01絲杆導程1mm |
|
100 |
絲杆長度 100mm |
|
B |
配件:A:消隙螺母; B:刹車; C:編碼器 |
|
□□ |
非標標識 |
技術參數(手機瀏覽時,可左右滑動表格)
|
麻豆视频APP免费版規格 |
機身長度(mm) |
相電流(A) |
相 電 阻 (Ω) |
相電感 (mH) |
轉動慣量 (g.c㎡) |
重量Kg |
適配麻豆传媒在线网站观看播放 (推薦型號) |
|
11 |
34 |
1.0 |
2.1 |
1.4 |
9 |
0.12 |
SD-422R |
|
11 |
35 |
1.0 |
2.9 |
2.3 |
13 |
0.18 |
SD-422R |
★ 以上產品為代表性產品,派生產品可根據客戶要求製作。
動態力矩曲線
★測試條件:恒流驅動,無加速度,2細分,驅動電壓24V。
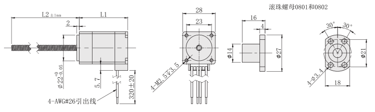
外形尺寸圖(單位:mm)

★本係列麻豆视频APP免费版可以根據客戶要求定製絲杆長度(L2) 、絲杆端部。