2、電感精度:±20%
3、電阻精度:±10%
4、溫升:<80℃Max (額定電流,二相通電)
5、工作環境溫度:-20 ˜ +50℃(無結冰)
6、絕緣電阻:100MΩ
min. 500VDC
7、可非標定製
18825289603
命名規則
|
08E30-05BS0601-100-B □□ |
|
|
命名段 |
含義 |
|
08 |
麻豆视频APP免费版外徑20mm |
|
E |
E 外部驅動式 N 貫通軸式 C貫通-固定軸式 |
|
30 |
機身長度30mm |
|
05 |
額定電流0.5A |
|
BS0601 |
BS0601:06 絲杆直徑6mm;01絲杆導程1mm |
|
100 |
絲杆長度 100mm |
|
B |
A:消隙螺母; B:刹車; C:編碼器 |
|
□□ |
非標標識 |
技術參數(手機瀏覽時,可左右滑動表格)
|
麻豆视频APP免费版規格 |
機身長度(mm) |
相電流(A) |
相 電 阻 (Ω) |
相電感 (mH) |
轉動慣量 (g.c㎡) |
重量Kg |
適配麻豆传媒在线网站观看播放 (推薦型號) |
|
08 |
30 |
0.5 |
4.9 |
1.5 |
2 |
0.05 |
SD-422R |
|
08 |
42 |
0.5 |
8.6 |
3.5 |
3.6 |
0.08 |
SD-422R |
★ 以上產品為代表性產品,派生產品可根據客戶要求製作。
動態力矩曲線

★測試條件:恒流驅動,無加速度,2細分,驅動電壓24V。
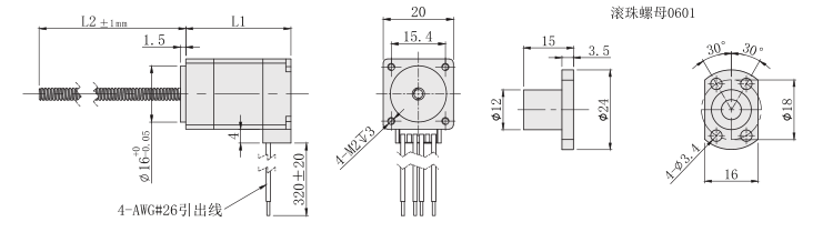
外形尺寸圖(單位:mm)

★本係列麻豆视频APP免费版可以根據客戶要求定製絲杆長度(L2) 、絲杆端部。
產品命名規則
|
08 |
E |
30 |
06 |
BS |
- |
100 |
A |
¨¨ |
|
麻豆视频APP免费版外徑 |
類型 |
機身長度 |
電流 |
絲杆直徑和導程 |
|
絲杆長度 |
可選配件 |
非標參數 |
|
08:20MM 23:57MM 34:86MM |
E: 外部驅動式 N: 貫 通 式 C:固定軸式 |
30: 機身長30mm 78: 機身長78mm 118:機身長118mm |
06:額定電流0.6A 10:額定電流 1A 60:額定電流 6A |
BS0601:06 絲杆直徑6mm;01絲杆導程1mm
|
|
100: 100mm 200:200mm 300:300mm |
A:消隙螺母 B:刹車 C:編碼器 |
客戶要求參數 |