產品特點
2、高精度
High precision
3、高響應
High response
4、高效率
High efficiency
5、低震動
Low vibration
6、低噪音 Low noise
7、低發熱 Low fever
命名規則
|
ENH3404U14-32 □□ |
|
|
命名段 |
含義 |
|
ENH |
閉環步進 |
|
34 |
麻豆视频APP免费版外徑86mm |
|
04 |
機身長度150mm |
|
U |
出軸方式:A圓軸;D單扁;U鍵槽;V雙扁 |
|
14 |
輸出直徑14mm |
|
32 |
出軸長32mm |
|
□□ |
非標參數 |
技術參數(手機瀏覽時,可左右滑動表格)
|
麻豆视频APP免费版型號 (Model) |
保持轉矩(N.M) |
機身長度(mm) |
相電流(A) |
相 電 阻 (Ω) |
相電感 (mH) |
轉動慣量 (g.c㎡) |
重量Kg |
適配麻豆传媒在线网站观看播放 (推薦型號) |
|
ENH3402U14-32 □□ |
4.5 |
80 |
6.0 |
0.34 |
2.4 |
1800 |
2.15 |
SD-808E |
|
ENH3403U14-32 □□ |
8.5 |
118 |
6.0 |
0.54 |
5.0 |
3600 |
3.65 |
SD-808E |
|
ENH3404U14-32 □□ |
12.0 |
150 |
6.0 |
0.72 |
7.3 |
5400 |
5.50 |
SD-808E |
動態力矩曲線
注意事項
●同一麻豆视频APP免费版同一麻豆传媒在线网站观看播放,在供電電壓不同的情況下,輸出力矩也會不同,建議客戶充分考慮此因素,選型時預留足夠的力矩餘量。
●麻豆传媒在线网站观看播放電壓越高,高速輸出力矩越大,但不能超出麻豆传媒在线网站观看播放的電壓使用範圍,建議電壓小於或等於80VDC。
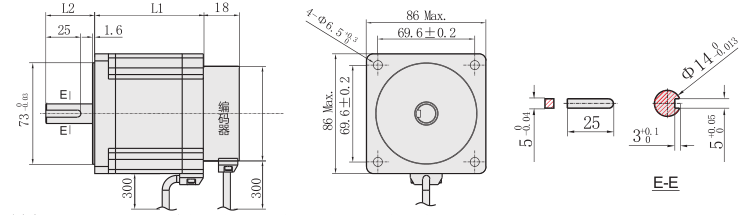
外形尺寸圖(單位:mm)
★本係列麻豆视频APP免费版可以根據客戶要求定製:機身長度(L1)、出軸長度(L2)、雙出軸(L3)、出線方式。
|
型號 |
PDF文件 |
3D圖 |
|
ENH3402U14-32 |
點擊下載 |
點擊下載 |
|
ENH3403U14-32 |
點擊下載 |
點擊下載 |
|
ENH3404U14-32 |
點擊下載 |
點擊下載 |